SA视讯(中国区)官方网站SA视讯

我们非常重视您的个人隐私,当您访问我们的网站时,请同意使用的所有cookie。有关个人数据处理的更多信息可访问《隐私政策》

SA视讯(中国区)官方网站 id="pcHeadSearch">

CN

SA视讯(中国区)官方网站 class="g_syworldbtmimg1"> SA视讯(中国区)官方网站 class="g_syworldbtmimg2">
EN
产品中心
SA视讯(中国区)官方网站

更多内容

如何为不同的电机选择合适的驱动芯片?纳芯微带你深入了解!

2024/11/20

在现代生活中,电机广泛使用在家电产品、汽车电子、工业控制等众多应用领域,每一个电机的运转都离不开合适的驱动芯片。纳芯微提供丰富的电机驱动产品选择,本期技术分享将重点介绍常见电机种类与感性负载应用,帮助大家更深入了解如何选择合适的电机驱动芯片。


戳这里观看技术分享视频


常见感性负载的种类及应用介绍

电机本质上是一种能量转换装置,通过电磁感应原理将电能转化为动能,主要分为直流有刷电机(BDC)、直流无刷电机(BLDC)和步进电机(Stepper)三类,除了电机外,继电器和电磁阀也属于常见的感性负载,其驱动原理与电机相似。

4eebf075fafaa6a4558dddf3bb7f41bc.png

常见感性负载的种类及应用介绍


在日常生活中,电机广泛应用于各种电器设备中,几乎无处不在。例如,在汽车内,车窗升降、座椅调节、后视镜调整、电动尾门控制以及车门锁闭等功能都依赖于不同类型的电机作为核心部件。


image.png


电机驱动芯片的工作原理

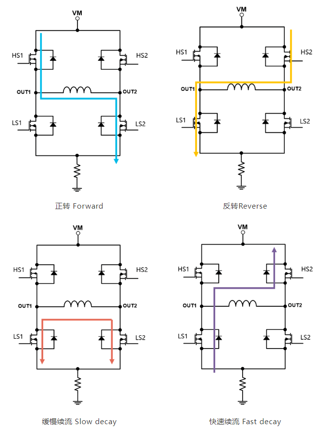
一个典型的H桥电机驱动芯片下图所示,芯片内部由四个MOS管组成H桥(HS1,HS2,LS1,LS2),芯片输出OUT1和OUT2分别连接直流有刷电机的两个电刷,芯片输入端与控制单元连接,通过控制内部MOS管的通断从而控制输出端与电机绕组中的电流大小和方向。

image.png

  • 正转 Forward: 电流从OUT1流向 OUT2,实现电机的正转。

  • 反转 Reverse:电流从OUT2流向 OUT1,实现电机的反转。

  • 缓慢续流 Slow decay:同时导通LS1和LS2两个下管,绕组电流慢速泄到地,实现绕组放电,即刹车或慢速衰退。

  • 快速续流 Fast decay:若此时打开LS1和HS2,则会在绕组两端施加一个负电压,绕组电流会被电源快速吸收,即快速衰退。

以上四种工作模式通过控制 MOS 管的开关状态,精准调整电机的工作状态,满足各种应用需求。


电机驱动芯片的关键参数

在选择电机驱动芯片时,需要重点关注以下几个关键参数,以纳芯微NSD7312 H桥驱动IC为例:

封装2.png

纳芯微NSD7312封装形式


  • VM工作电压和最大耐压:最大耐压代表该芯片能承受的最大电压范围,NSD7312的工作电压为5V至36V,最大耐压为40V。

  • 输入控制方式:NSD7312的输入控制方式为IN1和IN2逻辑输入,支持PWM调制来控制电机速度。同时NSD7312内置PWM电流调制功能,在电机启动过程或者负载出现较大电容时,该功能可有效减小峰值电流,降低由于瞬态电流过大从而对系统造成的冲击。

  • 输出电流:NSD7312的理论电流能力为3.5A,在实际应用中,驱动芯片的电流能力通常需要综合评估电流的持续时间、芯片散热、功耗,以及环境温度等因素来共同决定。

  • 电流调制和采样:NSD7312内部集成了电流调制功能,在电流达到设置的峰值Itrip后,芯片会通过PWM斩波方式来限制工作电流不超过该设定值。另外,NSD7312还内部集成电流采样功能,可实时检测电流的大小。

  • 保护和反馈:NSD7312集成丰富的保护功能如VM欠压保护、OCP过流保护、TSD过热保护、和故障反馈等。


纳芯微多通道半桥电机驱动芯片在直流有刷电机的应用

纳芯微多通道半桥驱动NSD8381支持多种马达工作模式:

  • 独立模式:驱动n/2直流马达

  • 并联模式:增加驱动电流

  • 串联&分时复用:桥臂共享输出,分时复用,支持更多马达数量

  • 独立的高低边开关(驱动继电器,LED等):支持超低电流开路检测

screenshot-20241118-132403.png

纳芯微多通道半桥驱动NSD8381方案


纳芯微多通道半桥驱动NSD83xx系列:

  • 提供6/8/10/12通道半桥方案,该系列内置8路PWM生成器,仅通过SPI即可实现输出PWM的频率与占空比配置。

  • 提供智能诊断功能,帮助车机系统判断负载连接状态,如果出现断线或者短路情况,外部MCU可以通过芯片内部寄存器,获取独立通道的报错信息。

NSD83xx.png

纳芯微多通道半桥驱动NSD83xx系列功能框图


纳芯微步进电机驱动芯片在双极性两相混合式步进电机的应用 

一个典型的双极性步进电机驱动芯片内置两个H桥电路(如下图所示),输出分别控制步进电机两个绕组的电流方向和大小。

双极性.png

双极性步进电机驱动


通过给两个绕组提供多细分度的正交电流,可以精确控制电机内部磁场矢量的方向和大小,从而实现步进电机的精准位置控制。

电流的细分度越高,步进电机控制的位置精度和平滑度也越好。根据细分度不同常见有4细分,16细分,32细分等模式。

screenshot-20241112-134216.png

¼步细分示意图


对于步进驱动芯片而言,除了内部的H桥驱动之外,更重要的是对输出细分电流的精准控制。以1/4细分模式为例,90°的电位角内电流值有四个细分度,2个绕组的电流是呈90°相位差的正弦波形。

驱动芯片通过控制算法和调制电路,精准控制H桥进行电流调制,使电机绕组内电流正好为我们设定的波形和大小,同时对输出电流采样,实现反馈控制。

对于步进电机驱动芯片需要关注的芯片参数有:工作电压、相电流大小、控制信号类型、最大细分度、电流调制及衰退模式以及保护功能等。

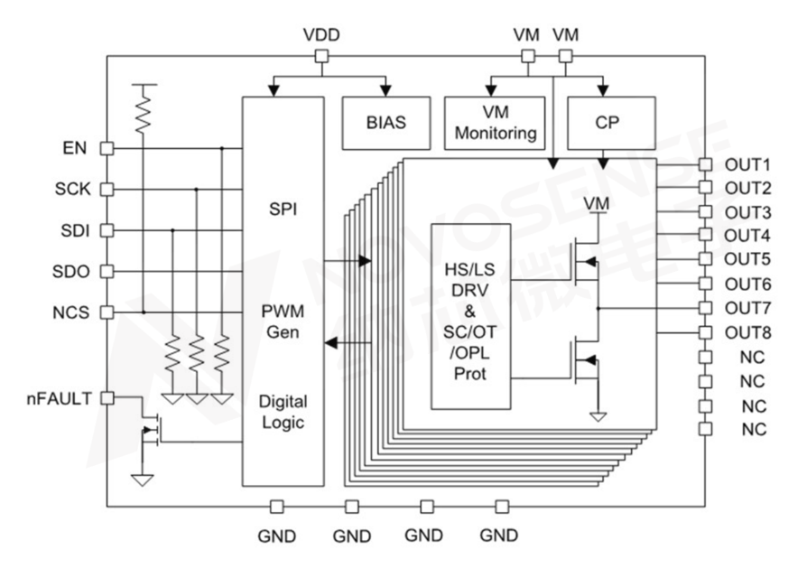
NSD8381.png

纳芯微NSD8381功能框图


纳芯微目前能够提供最高1/32细分的步进电机驱动芯片NSD8381,该芯片内置两个 H 桥结构,可控制双极性两相步进电机。支持细分度调节,如 1/16 步、1/32 步等,可满足高精度控制需求。广泛用于车载 AFS(自适应前照灯系统)、水泵、工业冰箱、打印机等多种领域。


SA视讯