SA视讯(中国区)官方网站SA视讯

我们非常重视您的个人隐私,当您访问我们的网站时,请同意使用的所有cookie。有关个人数据处理的更多信息可访问《隐私政策》

SA视讯(中国区)官方网站 id="pcHeadSearch">

CN

SA视讯(中国区)官方网站 class="g_syworldbtmimg1"> SA视讯(中国区)官方网站 class="g_syworldbtmimg2">
EN
产品中心
  MEMS压力传感器 SA视讯(中国区)官方网站

产品中心

-10kPa至+10kPa 单气嘴表压压力传感器 (量程可定制)

SA视讯(中国区)官方网站>

NSPGS5系列是纳芯微针对表压压力市场,推出的经过校准的传感器系列产品。该系列产品采用高性能信号调理芯片对先进的MEMS压阻芯体进行温度和压力的校准和补偿,保证性能和可靠性的同时对封装进行了集成,采用JEDC标准SOIC-16封装形式,单端口气嘴设置,方便客户焊接和使用。NSPGS5系列集成压力传感器可选量程-10kPa ~ +10kPa,支持模拟输出,适用于与压力敏感元件结构材料相兼容的非腐蚀性气体的压力检测,适合消费、医疗、工业及物联网等领域。

产品特性

•  供电电压3V~5.5V

•  工作温度范围-20℃-85℃

•  可定制量程 -10kPa~+10kPa

•  全温域综合精度优于±1%F.S.

•  输出模式可选(模拟/I2C数字输出)

•  高稳定性,100%校准,温度补偿

•  单垂直气嘴封装,安装牢靠,易密封

•  封装:SOIC-16 (7.5mm x 10.3mm)


应用场景

•  医疗:呼吸机,血压计,制氧机,麻醉仪,生物安全柜

•  工业:压力开关;负压真空检测;气体压力检测

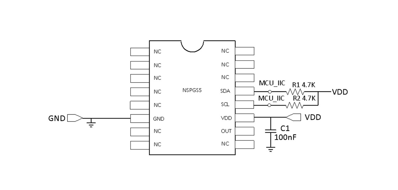
功能框图

图片5.jpg

NSPGS5系列功能框图(I2C输出)

SA视讯(中国区)官方网站>

如您需要咨询产品更多信息,请点击“SA视讯(中国区)官方网站”,我们将尽快回复您!

SA视讯