SA视讯(中国区)官方网站SA视讯

我们非常重视您的个人隐私,当您访问我们的网站时,请同意使用的所有cookie。有关个人数据处理的更多信息可访问《隐私政策》

SA视讯(中国区)官方网站 id="pcHeadSearch">

CN

SA视讯(中国区)官方网站 class="g_syworldbtmimg1"> SA视讯(中国区)官方网站 class="g_syworldbtmimg2">
EN
产品中心
隔离CAN收发器

产品中心

隔离式CAN收发器

SA视讯(中国区)官方网站>
SA视讯(中国区)官方网站>

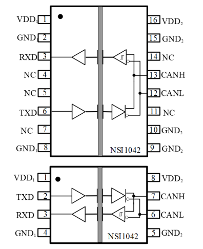
NSI1042-Q1 是一款隔离式 CAN 收发器,完全符合 ISO11898-2 标准。NSI1042-Q1 集成了双通道数字隔离器和高可靠性 CAN 收发器。数字隔离器是基于纳芯微电容隔离技术的隔离器。这种高度集成的解决方案有助于简化系统设计并提高可靠性。 NSI1042-Q1 器件通过了 UL1577 安全认证,支持 5kVrms 绝缘耐压,同时提供高电磁抗扰度和低辐射。NSI1042-Q1 的数据传输速率高达 5Mbps。NSI1042-Q1 提供热保护和传输数据主导超时功能。所有设备均提供 AEC-Q100(Grade 1)选项。

产品特性

完全符合 ISO11898-2 标准

绝缘电压高达 5000Vrms

电源电压:

   VDD1: 2.5V 至 5.5V

   VDD2:4.5V 至 5.5V

总线故障保护 -58V 至 +58V

传输数据 (TXD) 主导超时功能

过流和过温保护

数据传输速率:高达 5Mbps

无电源时的理想无源高阻抗总线和逻辑终端

高 CMTI:150kV/μs

低环路延迟 <220ns

高系统级 EMC 性能:增强的系统级 ESD、EFT 和浪涌抗扰度

工作温度:-40°C ~125°C

通过 AEC-Q100 Grade 1认证

符合 RoHS 规范的封装: SOW8、SOW16

安全认证

UL 认证:

SOP8(300mil):5000Vrms 1 分钟,符合 UL1577 标准

SOP16(300mil):5700Vrms 1 分钟,符合 UL1577 标准

CQC 认证:符合 GB4943.1

CSA 认证:组件符合 5A

DIN EN IEC 60747-17 (VDE 0884-17)

应用场景

工业自动化系统

隔离 CAN 总线

电信

功能框图

image.png

SA视讯(中国区)官方网站>

如您需要咨询产品更多信息,请点击“SA视讯(中国区)官方网站”,我们将尽快回复您!

SA视讯