SA视讯(中国区)官方网站SA视讯

我们非常重视您的个人隐私,当您访问我们的网站时,请同意使用的所有cookie。有关个人数据处理的更多信息可访问《隐私政策》

SA视讯(中国区)官方网站 id="pcHeadSearch">

CN

SA视讯(中国区)官方网站 class="g_syworldbtmimg1"> SA视讯(中国区)官方网站 class="g_syworldbtmimg2">
EN
产品中心
GaN半桥驱动

产品中心

高压半桥GaN驱动芯片

SA视讯(中国区)官方网站>

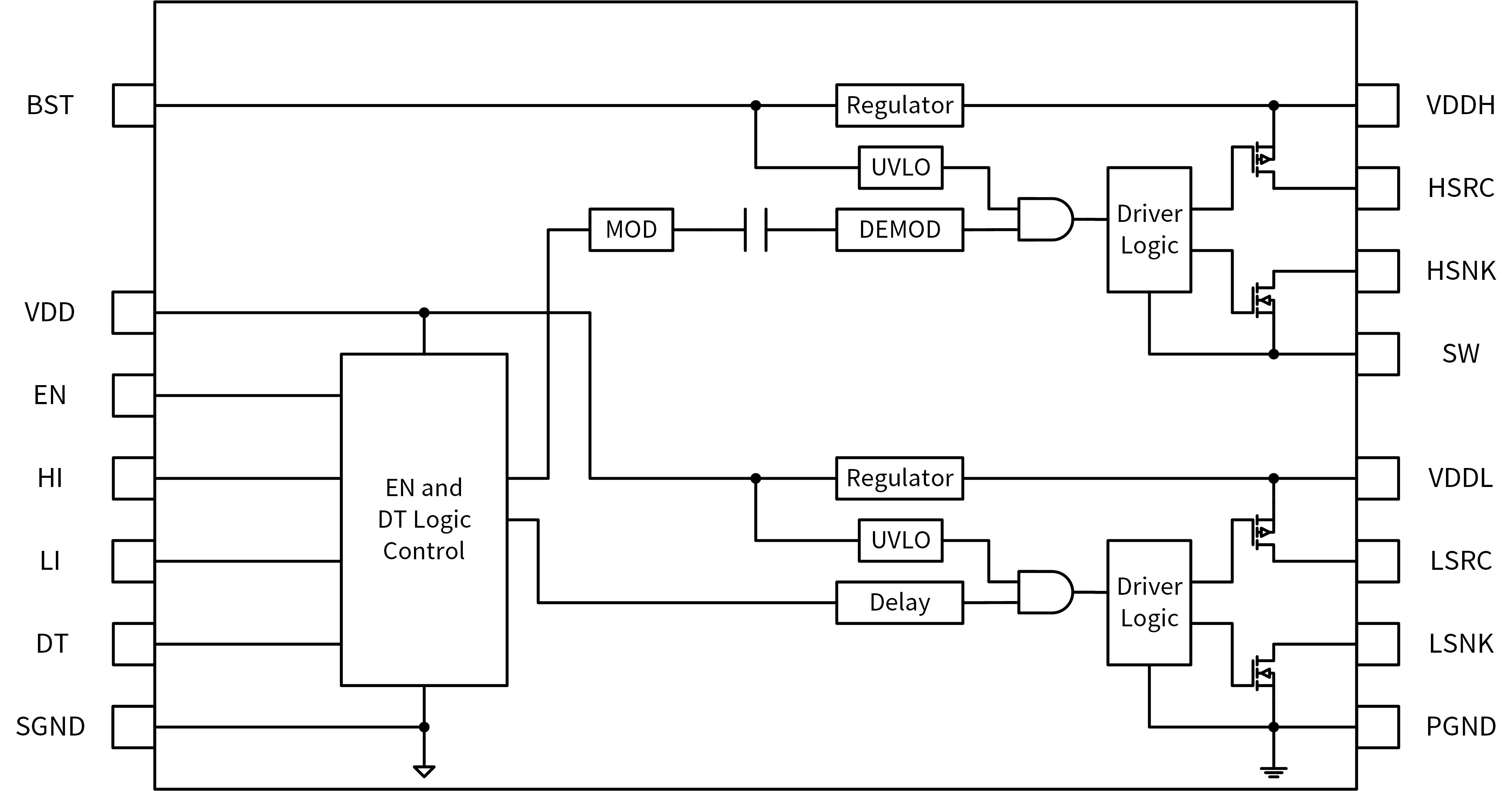
NSD2621是纳芯微最新推出的专为GaN设计的高压半桥驱动芯片。该芯片采用了纳芯微的成熟电容隔离技术,高边驱动可以支持-700V到+700V的共模电压,150 V/ns的SW电压变化斜率,同时具有低传输延时和低通道间延时的特性。两通道均能提供2A/-4A的驱动能力。

高低边的驱动级都采用了专门的电压调节器,以确保驱动电压在GaN栅极可接受的稳定范围内,使得GaN不论在何种情况下,都能正常工作。同时具备了UVLO保护功能,保护电源系统工作安全。

产品特性

- 高压侧电压范围:+/-700V;

- 高低边独立 UVLO 保护功能;

- +2/-4A 驱动电流能力;

- 内置LDO,使驱动电压更稳定可靠;

- 低于 60ns 传播延时,低于 10ns 高低边延时匹配;

- +5/-5V 逻辑地偏置;

- 150V/ns 的高压侧 dV/dt 抗干扰能力;

- Operation ambient temperature:-40℃ ~125℃

- 封装形式: LGA (4*4mm)

- 驱动电压输出NSD2621A: 6V/ NSD2621B: 5.5V/ NSD2621C: 5V

应用场景

- 半桥、全桥、LLC电源拓扑

- 适配器高密电源

- 太阳能、电机驱动及新能源领域

功能框图

3.jpg

相关资源

技术文档

类别

名称

类别:

应用笔记

名称:

600VGaN半桥驱动器NSD2621在电源中的应用指导

类别:

技术文章

名称:

纳芯微提供全场景GaN驱动IC解决方案

类别:

User guide

名称:

NSD2621x Demo Board User Guide

技术视频
  • SA视讯(中国区)官方网站> SA视讯(中国区)官方网站>
    纳芯微GaN半桥驱动和功率芯片电路详解
  • SA视讯(中国区)官方网站> SA视讯(中国区)官方网站
    GaN驱动设计痛点与纳芯微解决方案介绍
SA视讯(中国区)官方网站>

如您需要咨询产品更多信息,请点击“SA视讯(中国区)官方网站”,我们将尽快回复您!

SA视讯