• SA视讯(中国区)官方网站SA视讯

    我们非常重视您的个人隐私,当您访问我们的网站时,请同意使用的所有cookie。有关个人数据处理的更多信息可访问《隐私政策》

    SA视讯(中国区)官方网站 id="pcHeadSearch">

    CN

    SA视讯(中国区)官方网站 class="g_syworldbtmimg1"> SA视讯(中国区)官方网站 class="g_syworldbtmimg2">
    EN
    产品中心
    直流有刷电机集成驱动

    产品中心

    40V 10通道半桥驱动芯片

    SA视讯(中国区)官方网站>
    SA视讯(中国区)官方网站>

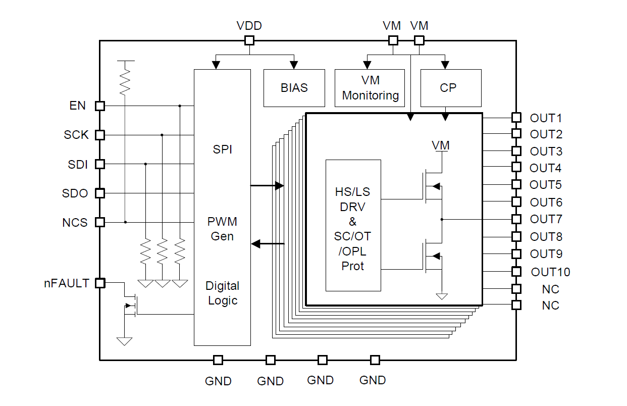
    NSD8310/8310A-Q1是一款多通道半桥驱动芯片,内部集成10通道半桥。通过灵活配置,该芯片可以支持多种不同的负载类型,包括直流有刷电机,步进电机,继电器和LED等。该芯片集成了PWM生成器,用户可以通过SPI接口轻松配置PWM频率和占空比,实现对负载的精确控制,可应用于直流有刷电机软启动与LED调光等;同时该产品提供智能诊断功能,帮助车机系统监测负载连接状态,如果出现断线或者短路情况,外部MCU可以通过芯片内部寄存器获取独立通道的报错信息。

    产品特性

    - 宽工作电压范围:4.5V~36V(最大耐压40V)

    - 导通电阻(HS + LS):1.7Ω

    - 峰值电流:1A

    - PWM生成器支持可配置频率与占空比

    - 开路诊断

    - 欠压保护与过压保护

    - 工作温度:Tj=-40°C~150°C

    - 满足AEC-Q100车规认证

    应用场景

    - 汽车车身控制器

    - 汽车区域控制器

    - 汽车空调控制器

    - 汽车热管理系统

    功能框图

    image.png

    SA视讯(中国区)官方网站>

    如您需要咨询产品更多信息,请点击“SA视讯(中国区)官方网站”,我们将尽快回复您!

    SA视讯