SA视讯(中国区)官方网站SA视讯

我们非常重视您的个人隐私,当您访问我们的网站时,请同意使用的所有cookie。有关个人数据处理的更多信息可访问《隐私政策》

SA视讯(中国区)官方网站 id="pcHeadSearch">

CN

SA视讯(中国区)官方网站 class="g_syworldbtmimg1"> SA视讯(中国区)官方网站 class="g_syworldbtmimg2">
EN
产品中心
直流有刷电机集成驱动

产品中心

40V 8通道半桥驱动芯片

SA视讯(中国区)官方网站>

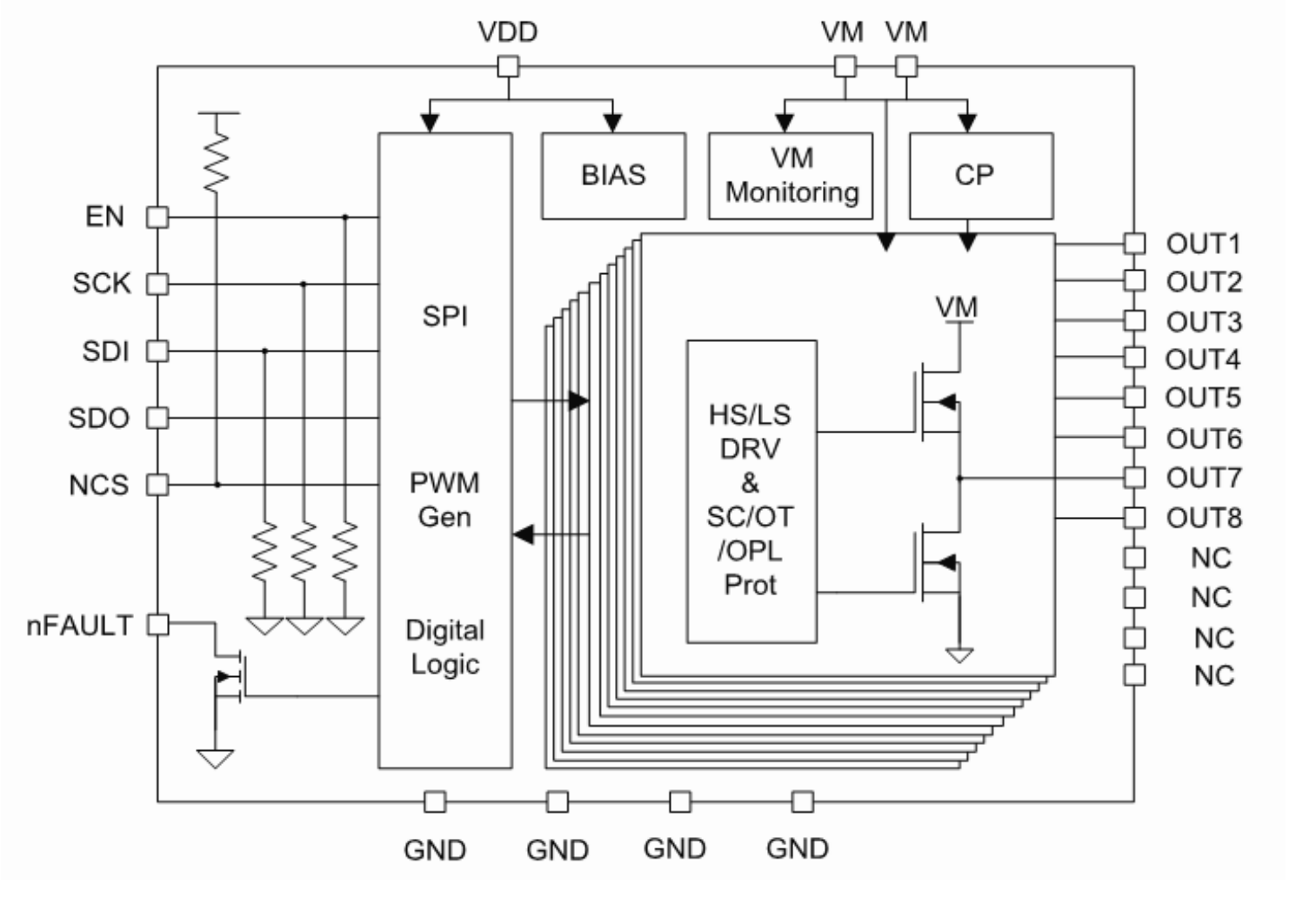
NSD8308 – Q1是一款多通道半桥驱动芯片,内部集成8通道半桥,通过灵活配置,芯片可以支持多种不同的负载类型包括直流有刷电机,步进电机,继电器和LED等。该芯片内置PWM生成器,仅通过SPI即可实现配置PWM频率与占空比以达到控制负载的功能,可应用于直流有刷电机软启动与LED调光等;同时该产品提供智能诊断功能,帮助车机系统判断负载连接状态,如果出现断线或者短路情况,外部MCU可以通过芯片内部寄存器获取独立通道的报错信息。

产品特性

•  宽工作电压范围4.5V –36V(耐压40V)

•  导通电阻(HS + LS)1.7 Ω

•  峰值电流1.3A

•  PWM生成器支持可配置频率与占空比

•  开路诊断

•  欠压保护与过压保护

•  工作温度:-40°C~125°C

•  AEC-Q100认证

应用场景

•  汽车车身控制器

•  汽车区域控制器

•  汽车空调控制器

功能框图

图表 3 NSD8306功能框图2.png

SA视讯(中国区)官方网站>

如您需要咨询产品更多信息,请点击“SA视讯(中国区)官方网站”,我们将尽快回复您!

SA视讯